電子工作etc
■炎電流
★概要
炎の中を電流が流れるということ、そしてダイオードのように整流作用を持っていることをはじめて知りました。
★動作原理
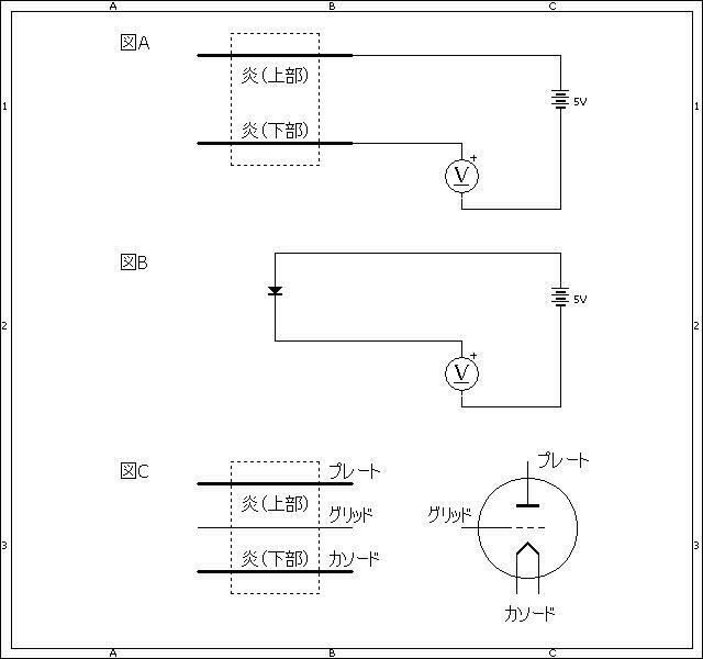
炎の中に上下に二本の針金を入れると下図のように電流が流れます。
これは炎が高温によってイオン化されると電流が流れるからだそうです。
ファンヒーター等では、炎を検出するために、この原理を利用しているようです。
もしかしたら、図Cのようにすると増幅器(3極管同様)が出来るかもしれませんね!?{^_^}!
★回路図
★動作確認
針金は部品の切れ端を使いました。

左側:炎無し(0V)
右側:炎有り(≒0.5V)

如何ですか?
中々、不思議な現象ですね!?

電子工作etc
|